Paper 2 — Essay (100 marks) — 1¾ hours
This paper is in two sections: A and B. Answer Question 1 in Section A and any other four questions in Section B.
Answer all the questions in your answer booklet.
Credit will be given for clarity of expression and orderly presentation of material.
0 of 1 Questions completed
Questions:
You have already completed the quiz before. Hence you can not start it again.
Quiz is loading…
You must sign in or sign up to start the quiz.
You must first complete the following:
0 of 1 Questions answered correctly
Your time:
Time has elapsed
You have reached 0 of 0 point(s), (0)
Earned Point(s): 0 of 0, (0)
0 Essay(s) Pending (Possible Point(s): 0)
Section A (40 marks)
Answer all of Question 1.

(i) Identify each of the parts labelled I, II and III. [3 marks]
(ii) Name the method of separation in each of the set-up:
(a) A;
(b) B. [2 marks]
(iii) State the class of mixtures that the experimental set-up A could be used for. [1 mark]
(iv) Give a reason for the answer stated in (iii). [2 marks]
(v) Name one possible component of the mixture in set-up B. [1 mark]
(vi) State the function of the part labelled IV. [1 mark]
(b)
The diagram below is an illustration of a part of a system in humans.
Study the diagram carefully and answer the questions that follow.

(i) Name the system illustrated. [1 mark]
(ii) Name each of the parts labelled I, II, III and IV. [4 marks]
(iii) What is the role of the part labelled I? [1 mark]
(iv) Name three diseases that affect the system illustrated. [3 marks]
(c)
The diagram below is an illustration of an experimental set-up used to measure an ecological factor.
Study the diagram carefully and answer the questions that follow.

(i) Identify the apparatus illustrated. [1 mark]
(ii) Name each of the parts labelled I, II and III. [3 marks]
(iii) Give one use of each of the parts labelled I and II. [2 marks]
(iv) What ecological factor was measured? [1 mark]
(v) State three ways in which the ecological factor measured in (iv) is important in agricultural soils. [3 marks]
(vi) Name one farm tool that aids the ecological factor measured in (iv) to perform its function in agricultural soil. [1 mark]
(vii) Describe how the farm tool named in (vi) is used to aid the factor measured in the experiment. [2 marks]
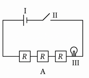
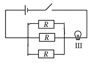
(d)
The diagrams below are illustrations of electrical circuits.
Study the diagrams carefully and answer the questions that follow.


(i) Identify each of the components labelled I, II and III. [3 marks]
(ii) State the type of arrangement of resistors (A) in B. [1 mark]
(iii) State the effect of the arrangement of resistors in each of the diagrams A and B. [2 marks]
(iv) Give a reason for each of the answers stated in (iii). [2 marks]
SECTION B
Answer four questions only from this section
(b)
(i) Explain the term active region as applied to transistors;
(ii) State what happens in the active region of a transistor. [3 marks]
(c)
(i) State two effects of lack of protein in the diet of humans.
(ii) Describe briefly the chemical test for glucose. [5 marks]
(d)
(i) What are soil resources?
(ii) State two agricultural activities which make the soil lose its nutrients. [4 marks]
(e)
(i) List in the correct order, the organs through which food passes from the mouth to the anus. [2 marks]
(ii) State the components of a balanced ration for feeding poultry. [4 marks]
(f) Predict the products formed when:
(i) magnesium solution reacts with dilute hydrochloric acid;
(ii) potassium reacts with water. [4 marks]
(g)
(i) State two effects of heat on a substance.
(ii) Potassium permanganate crystals are dropped into a beaker of water and warmed:
(a) State what would be observed;
(b) State the phenomenon demonstrated in (a). [5 marks]
(b) Explain briefly why air is regarded as a mixture.
[2 marks]
(c)
(i) What is a magnetic pole?
(ii) State two uses of temporary magnets.
[4 marks]
(d) Give four reasons for planting crops in rows.
[4 marks]
(b) State three reasons why soil cannot support effective plant growth.
[3 marks]
(c)
(i) An atom has 13 protons and 14 neutrons:
(d)
(i) State three ways in which fluid pressure is applied in everyday activities.
(ii) State one substance that is an insulator.
[4 marks]
(b)
(i) What is an alloy?
(ii) Name the constituent elements in brass.
[3 marks]
(c)
(i) State three effects of dumping waste materials into water bodies.
(ii) State one function of each of the following factors in photosynthesis:
(d)
(i) What is work?
(ii) A block of wood of mass 10 kg was dragged through a distance of 3.2 m when a force of 20 N was applied. Calculate the work done.
[5 marks]
END OF ESSAY TEST